【产品应用】:
非接触式小型动态扭矩传感器是我公司在应变桥专用技术基础上研制开发的新产品,适用于各类要求体积小、转速高的扭矩测量场合。
【产品特点】:
·非接触式
·量程 0.1-5Nm间可选
·输出 10±5KHz, 4-20mA, ±5VDC, ±10VDC, RS485/232
· 不锈钢轴
·最高转速16000RPM
·可带转速输出
·带面板显示扭矩/转速/功率
【主要技术参数】:
量程:0.1, 0.2, 0.3, 0.5,1-5Nm
精度:±0.1,±0.2%FS
零点温度影响:±0.02%FS
满度温度影响:±0.02%FS
补偿温度范围:-10~60ºC
工作温度范围:-20~75ºC
扭矩输出:10±5kHz ,4-20mA, ±5VDC,±10VDC,RS485, RS232,CAN,
供电电压:12-24VDC
供电电流:小于100mA
电气连接:8-Pin
过载保护:200%FS
材质:轴材料17-4PH不锈钢,外壳为铝
选项
转速测量:最大转速:16000RPM,30脉冲,4-20mA,5V/ TTL ,±5VDC, ±10VDC,RS485,RS232, CAN
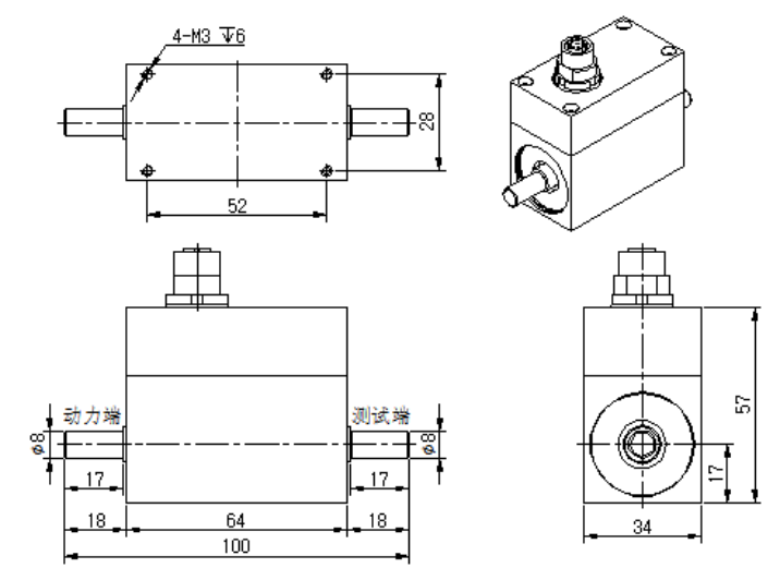
【产品尺寸(单位mm)】:
